气相色谱基本知识(2)

气相色谱检测器是把载气里被分离的各组分的浓度或质量转换成电信号的装置。目前检测器的种类多达数十种。根据检测原理的不同,可将其分为浓度型检测器和质量型检测器两种:
(l)浓度型检测器测量的是载气中某组分浓度瞬间的变化,即检测器的响应值和组分的浓度成正比。如热导检测器和电子捕获检测器。
(2)质量型检测器测量的是载气中某组分进入检测器的速度变化,即检测器的响应值和单位时间内进入检测器某组分的量成正比。如火焰离子化检测器和火焰光度检测器等
先介绍一下热导检测器(TCD)
热导检测器是根据不同的物质具有不同的热导系数原理制成的。热导检测器由于结构简单,性能稳定,几乎对所有物质都有响应,通用性好,而且线性范围宽,价格便宜,因此是应用最广,最成熟的一种检测器。其主要缺点是灵敏度较低。

原理示意图
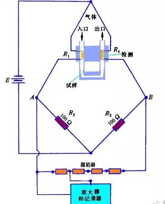
热导池的结构和工作原理
热导池由池体和热敏元件构成,可分双臂和四臂热导池两种。由于四臂热导池热丝的阻值比双臂热导池增加一倍,故灵敏度也提高一倍。目前仪器中都采用四根金属丝组成的四臂热导地。其中二臂为参比臂,另二臂为测量臂,将参比臂和测量臂接人惠斯电桥,由恒定的电流加热组成热导地测量线路,如前图所示。
影响热导检测器灵敏度的因素
(l)桥电流 桥电流增加,使钨丝温度提高,钨丝和热导池体的温差加大,气体就容易将热量传出去,灵敏度就提高。响应值与工作电流的三次方成正比。所以,增大电流有利于提高灵敏度,但电流太大会影响钨丝寿命。一般桥电流控制在1OO~20OmA左右(N2作载气时为100~150mAH2作载气时150~200mA为宜)。
(2)池体温度 池体温度降低,可使池体和钨丝温差加大,有利于提高灵敏度。但池体温度过低,被测试样会冷凝在检测器中。池体温度一般不应低于柱温。
(3)载气种类 载气与试样的热导系数相差愈大,则灵敏度愈高。故选择热导系数大的氢气或氦气作载气有利于灵敏度提高。如用氮气作载气时,有些试样(如甲烷)的热导系数比它大就会出现倒峰。表19-7列出某些气体与蒸气的热导系数。
(4)热敏元件的阻值 阻值高、温度系数较大的热敏元件,灵敏度高。钨丝是一种广泛应用的热敏元件,它的阻值随温度升高而增大,其电阻温度系数为5.5×10-3cm·Ω-1·℃-1,电阻率为5.5×1O-6Ω·cm。为防止钨丝气化,可在表面镀金或镍。
活水源整理发布
来源:网络,仅为分享知识,如有侵权,请联系删除。